今天是:
加为首页
|
加入收藏
|
联系我们
首 页
关于我们
新闻中心
企业荣誉
营销网络
客户服务
咨询留言
联系我们
产品分类
电力工业润滑油
壳牌润滑油
其他品牌润滑油
发电厂辅机用润滑油使用表
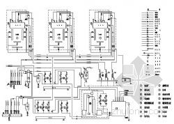
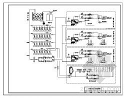
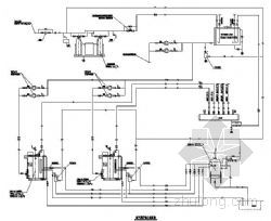
火电厂热工自动化系统
电站辅机产品
电力备品备件
泵类
其他
联系我们
电话:010-87162358 85617676
传真:010-85637860
邮箱:bjxiaoh@126.com
火电厂热工自动化系统
辅机程控系统
锅炉停炉快速冷却监控系统
锅炉飞灰含碳量在线检测系统
锅炉炉管泄漏自动监测系统
炉膛火焰监视工业电视系统
汽轮发电机组振动监测和故障诊断系统
首页
上一页
下一页
末页
页次:1/2页
友情链接:
版权所有 (C) 北京国电
京ICP备11005722号-1